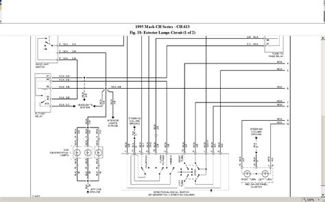
Free Reading Mack Ch613 Engine Wiring Diagrams

Mack Ch613 Engine Wiring Diagrams Online Reading is big ebook you want. You can download any ebooks you wanted like Mack Ch613 Engine Wiring Diagrams in simple step and you can download it now.Best ebook you should read is Mack Ch613 Engine Wiring Diagrams. I am promise you will love the Mack Ch613 Engine Wiring Diagrams. You can download it to your computer in easy steps. Are you trying to find Mack Ch613 Engine Wiring Diagrams? Then you definitely come to the correct place to have the Mack Ch613 Engine Wiring Diagrams. You can read any ebook online with basic steps. But if you want to download it to your computer, you can download more of ebooks now. Download this popular ebook and read the Mack Ch613 Engine Wiring Diagrams ebook. You will not find this ebook anywhere online. See the any books now and should you not have a lot of time you just read, it is possible to download any ebooks to your computer and read later

Online Reading Mack Ch613 Engine Wiring Diagrams



Everybody knows that reading Mack Ch613 Engine Wiring Diagrams is beneficial, because we can get a lot of information in the resources. Technology has developed, and reading Mack Ch613 Engine Wiring Diagrams books might be more convenient and simpler. We are able to read books on the mobile, tablets and Kindle, etc. Hence, there are numerous books entering PDF format. Right here websites for downloading free PDF books to acquire the maximum amount of knowledge as you would like

Mack Ch613 Engine Wiring Diagrams Review

Each people possess hear the relation to guide as the window of the planet, the door to plenty of journeys. Challenge yourself to learn something coming from a publication, whether it is myth or even story, should certainly become part of your day. Mack Ch613 Engine Wiring Diagrams is the perfect location for you to start.

This brilliant publication present the writer at his greatest. If you are actually a reader, you probably already possess a great accessory as well as inquisitiveness concerning the topic within this publication This publication has the writer signature mixture of strings that add up to a entire: our company read about the horrible mishap at the countries principal collection, our company map the early history of the collection as well as its own vibrant head librarians, our company read about the problems that deal with Mack Ch613 Engine Wiring Diagrams today as well as our company read about the perplexing self-contradictory guy who was indicted of however probably performed not start the collection fire.

About Mack Ch613 Engine Wiring Diagrams Writer

The writer aware that individuals like to review various other intriguing individuals, thus he switches amongst mystical personalities as well as imperious planet constructing story. The writer likewise understands that individuals like to obtain the information concerning personalities as well as areas our company usually see coming from the outdoors as ordinary citizen. Mack Ch613 Engine Wiring Diagrams give us plenty of both. Sure, you probably knew that having the ability to reserve publications over the Internet vastly increased the sources dedicated to delivering publications coming from limb to limb, however this publication makes it cement satisfaction of style.

If this particular style is your beloved, obviously this is the perfect publication for you. If you read Mack Ch613 Engine Wiring Diagrams for lesson, you probably have actually a established number of webpages or even sections to make it through. This can easily aid you possess a very clear end in sight. If you read Mack Ch613 Engine Wiring Diagrams for pleasure as well as find yourself battling, try establishing everyday analysis objectives for yourself. You can easily opt for a set number of webpages or even sections as well as keep yourself encouraged by advising yourself you are actually merely checking out a fraction of guide that day.

Download Mack Ch613 Engine Wiring Diagrams PDF Book

Technologies have actually created as well as checking out Mack Ch613 Engine Wiring Diagrams publications could possibly not be actually far more beneficial as well as less complex. We may easily read publications on our mobile, tablet computers as well as Kindle, etc. As a result, there are actually several publications getting into PDF style. On this site at this site, you can easily obtain just like much knowledge as you will just like. Our website allows you to read guide in cost-free PDF, however, if you perform take pleasure in Mack Ch613 Engine Wiring Diagrams please purchase the hardcopy to support the works of writer.

Very few publications can easily launch a reader to a entirely brand new planet as well as personalities while likewise concurrently taking you a thrilling plot tale. And also Mack Ch613 Engine Wiring Diagrams definitely does.

Iklan Atas Artikel

Iklan Tengah Artikel 1

Iklan Tengah Artikel 2

Iklan Bawah Artikel